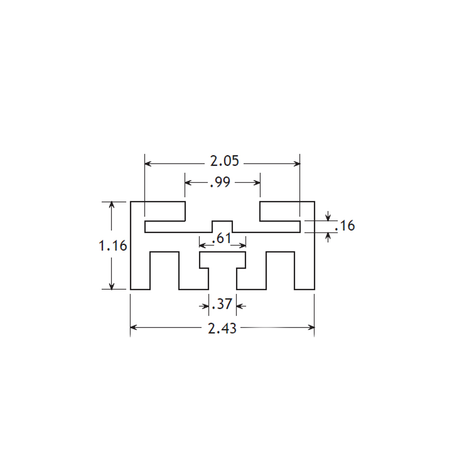
CGK1U1206L120

Part No.MaterialLengthBelt TypeWTMaterial CodeColor
CGK1U1206L120UHMW10 FtN/A2.43"1.16"UWHITE

Item Description

UHMW ROLLER CHAIN GUIDE X 10FT LENGTHS