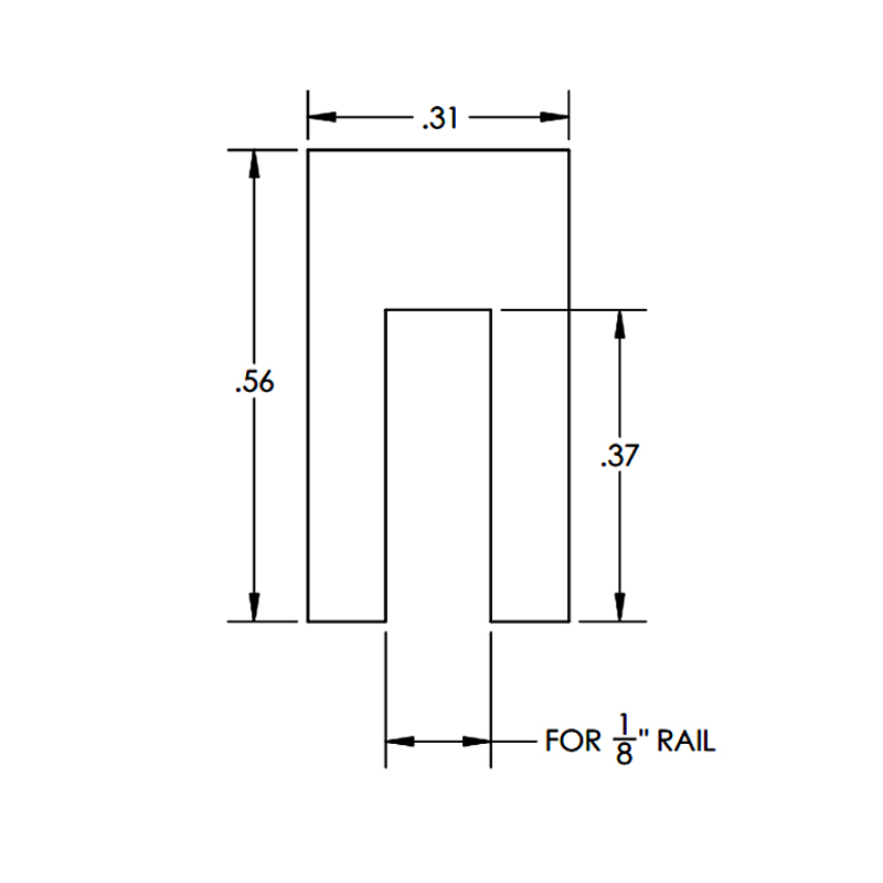
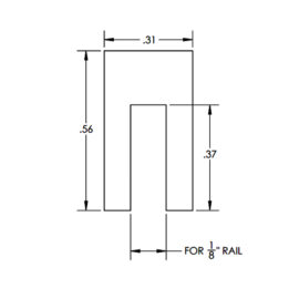
BST020609L48

Part No.MaterialLengthMating Rail SizeHeightMaterial CodeColorWidthType
BST020609L48PTFE4 Ft1/8".56"TWHITE.31"FLAT

Item Description